登录| 注册    
收藏  点赞 

刨片机

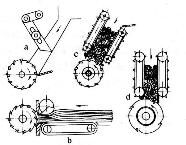
将木段、板皮或木片刨削成具有一定几何尺寸的工艺刨花的机械。是刨花板备料工段中的必备设备。刨片机上切削出的刨花其厚度应基本一致,厚度规格均匀的刨花愈多,说明刨片机的性能愈好。刨片机根据切削刀头的形式可分为盘式刨片机和鼓式刨片机两类。盘式刨片机由切削刀盘和进给系统两大部分组成。按切削刀盘的安装位置可分为卧式和立式圆盘刨片机;按进料方式可分为间隙进料和连续进料两种。图1所示为盘式刨片机的4种类型。

将木段、板皮或木片刨削成具有一定几何尺寸的工艺刨花的机械。是刨花板备料工段中的必备设备。刨片机上切削出的刨花其厚度应基本一致,厚度规格均匀的刨花愈多,说明刨片机的性能愈好。

刨片机根据切削刀头的形式可分为盘式刨片机和鼓式刨片机两类。

盘式刨片机

由切削刀盘和进给系统两大部分组成。按切削刀盘的安装位置可分为卧式和立式圆盘刨片机;按进料方式可分为间隙进料和连续进料两种。图1所示为盘式刨片机的4种类型。在刀盘径向有刀槽,在刀槽内安装刨削刀片,刀片的伸出量是控制刨花厚度的关键尺寸。为使刨花的长度一致,在径向还安装可调割刀或梳状刀。通常刀盘直径较大,刮削刀片10把甚至更多。割刀数在50把左右。

图1 盘式刨片机

鼓式刨片机

因其切削部分形如鼓状而得名。它可以分为轴型鼓式刨片机和筒型鼓式刨片机两类。

①轴型鼓式刨片机(图2)。它由切削刀鼓和进料机构组成。在刀鼓的表面开有轴向装刀槽12个,在每条装刀槽的前部又开有排料槽。装刀槽上安装飞刀。飞刀为梳齿形。刀齿宽为26毫米,刀齿槽宽为24毫米。相邻飞刀的齿形要求错开配置。在排料槽中安装支承块,起限位的作用。轴型鼓式刨片机进料部分由料槽、进料机构和底刀组成。进料机构强制原料从料槽进入被切削状态,它可以由电机或液压装置来传动。底刀装在进料槽的底部。通常轴型鼓式刨片机,只能刨削固定长度的木段或小径木。对于削片机提供的原料就需由筒型鼓式刨片机来刨削。

图2 轴型鼓式刨片机

②筒型鼓式刨片机(图3);又称双鼓轮刨片机。它由叶轮、刀轮、进料装置等组成。刀轮的刀环上装有26把飞刀,刀刃口朝向轴心。叶轮形如风机的叶轮,在叶板边缘装有底刀,它一边把待切削的原料吸入,同时在离心力的作用下将这些原料抛出在刀轮飞刀和叶轮底刀的作用下切削成刨片。叶轮和刀轮作相对旋转,刨出刨花由机座的底部出料口排出。

图3 双鼓轮刨片机示意

刨片