登录| 注册    
收藏  点赞 

碾米机

随着世界机械工业的发展,人们将木杵改为机械传动,在此基础上,又用螺旋器代替木杵,借助它在石臼内旋转所产生的摩擦擦离作用,碾去糙米皮层。经过不断改进,发展成为现代的碾米机。碾米机按碾白原理可分为擦离型、碾削型和混合型三类;按主要工作部件的结构可分为铁辊筒碾米机、砂辊碾米机、铁筋砂辊碾米机和喷风碾米机。擦离型碾米机又称压力型米机。主要靠米粒与米粒间

用于碾去糙米皮层的机器。其核心部分是碾白室。糙米进入碾白室,受到机械作用,碾去糙米表面皮层,可得到不同精度的成品大米。古代碾米是将糙米或稻谷放在石臼内,由人力用木杵,借助冲击、摩擦作用,进行舂米。另一种碾米工具是石辊和碾槽。稻谷或糙米在碾槽内,用畜力拖动石辊,使其表面受到挤压、摩擦作用,进行脱壳、去皮。石辊碾米比杵臼舂米,虽有进步和发展,但产量仍低,花费劳动力大,碾白效果差,碎米多,成品大米质量也不好。随着世界机械工业的发展,人们将木杵改为机械传动,在此基础上,又用螺旋器代替木杵,借助它在石臼内旋转所产生的摩擦擦离作用,碾去糙米皮层。经过不断改进,发展成为现代的碾米机。

碾米机按碾白原理可分为擦离型、碾削型和混合型三类;按主要工作部件的结构可分为铁辊筒碾米机、砂辊碾米机、铁筋砂辊碾米机和喷风碾米机。

擦离型碾米机

又称压力型米机。主要靠米粒与米粒间,米粒与米机构件(铁辊、米筛、米机盖和米刀)间的擦离作用剥离米皮。有铁辊筒碾米机、喷风碾米机等主要机型。这类碾米机的特点是:碾辊线速度较低,一般在5米/秒左右;碾白室内压力较大,平均机内压力为20~100千帕。所以,碾得的成品大米表面光洁,精度均匀,色泽较好,但对碾制米皮干硬,粒形细长,强度低的米粒增碎率高,出米率低。适用于碾制强度大的晚糙米或作多机碾米的后道碾米机碾白和擦米。也可用于糙米碾白、稻谷直接碾白,以及粟糙米碾白、大麦剥皮和饲料粉碎等。具有一机多能的功效。

碾削型碾米机

又称速度型米机。主要有各种立式砂臼碾米机以及横式高速砂辊碾米机。它们的碾白特点是:碾辊线速度较高,通常在15米/秒左右;碾白室内压力较低,一般平均为5000帕左右,主要靠金刚砂臼或砂辊对米粒的碾削作用剥离皮层;米粒在机内受到的压力低,产生的碎米少,留胚率和出米率均较高。但成品大米表面光泽较差,有细密碾削痕纹,米糠中含淀粉较多。适用于碾制籽粒结构强度较差,表皮干硬的粉质米粒,也可用于杂粮碾米,小麦、大麦和燕麦剥皮等。

混合型碾米机

兼用擦离和碾削两种作用碾去糙米皮层。它的碾辊为金刚砂辊或砂铁结合辊,辊筒表面带有筋或沟槽。属于这类碾米机的有横式砂辊碾米机、铁筋砂辊碾米机和砂辊喷风碾米机等。混合型碾米机的特点是:碾辊线速度介于擦离型和碾削型碾米机之间,一般为10米/秒左右;碾白室内平均压力和米粒密度比碾削型碾米机稍高;碾白效率高,去皮均匀,米色光洁,碎米少,电耗低,出米率高。可用于糙米碾白,杂粮碾米,大麦、小麦和燕麦剥皮。对于部分擦离作用较强的碾米机,也可用于稻谷直接碾白。

铁辊筒碾米机

是世界上最早使用的一种碾米机(图1)。它的主要工作部件有米机盖、铁辊、米筛和米刀等。铁辊表面分布有凸筋,靠进口端有2~3条斜筋,倾斜角30°~40°,起推进米粒的作用,故称推筋。出口端有2~6条斜筋,倾斜角为0°~6°,起碾白和翻动米粒作用,又称碾筋。米筛装在长方形铸铁箱的下部,铁辊安置在方箱、米筛和米机盖之间空间内,形成碾白室。糙米从进料口进入碾白室,借助铁辊推筋的推进作用,使米粒向出口端移动,并受到碾筋强烈的翻动、挤压和摩擦作用,使米粒之间,米粒与米机盖内壁、米筛和米刀之间产生摩擦和擦离作用,剥离糙米表面的皮层:使其碾白。

图1 铁辊筒碾米机

铁辊筒碾米机以碾辊直径为主要规格。以135型使用最广。它的主轴转速为650~750转/分,白米产量为700~1000千克/小时,动力7~10千瓦。

铁辊筒碾米机结构简单,操作方便,造价低廉,成品大米精度均匀,色泽光洁,既可用于糙米碾白,也可作为稻谷直接碾白。缺点是机内压力大,容易产生碎米,出米率低。城市碾米厂已很少用于碾米,有的仅作为擦米设备。但由于它还具有饲料粉碎、大麦剥皮和花生剥壳等一机多用的功能,因此,在农村饲料加工和稻谷加工中仍应用较多。

图2 铁筋砂辊碾米机

铁筋砂辊碾米机

起源于中国广东、广西地区,素称广式米机。在湖南,又称湘式米机。其结构如图2。主要部件由机盖、螺旋推进器、铁筋砂辊、米筛和米刀等组成。它的工作原理是借助铁筋砂辊的碾削作用,同时利用米粒与米粒,米粒与碾白室内工作部件之间的摩擦擦离作用碾去糙米的皮层,所以它是属于混合型碾米机

铁筋砂辊碾米机以砂辊直径小头/大头(厘米)为主要规格,可分为13.2/15.9、11.2/12.4、7.6/8三种系列。13.2/15.9型米机的生产能力最大,台小时产量为1500~2500千克,主轴转速1250转/分,平均线速度为9.5米/秒,配备动力22~28千瓦。该机的特点是结构简单,装拆方便。当加工籽粒强度较低的早籼米时,碎米较低,出米率较高。所以在中国盛产籼稻谷的广东、广西、湖南和江西等地区,曾推广使用这种碾米机

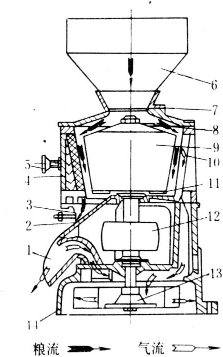
立式砂臼碾米机 主要工作部件是由砂臼、排糠筛板和米刀等组成的碾白室(图3)。米粒从进料斗经进口闸门,落入碾白室,主要依靠高速旋转(线速度为10~15米/秒)的金刚砂臼表面密集尖锐的砂刃,对糙米皮层进行不断碾削,使米皮破裂、脱落,达到糙米碾白的目的。

图3 立式碾米机总体结构

立式砂臼碾米机属碾削型碾米机。它的特点是机内压力小,碾制粉质米粒时,碎米少,出米率高,但成品大米表面光洁度和色泽较差,容易产生糙白不均。所以,需要采用多机碾米。在中国主要用于高粱和粟子的脱壳和碾米,玉米脱皮,破,以及麦粒剥皮。在意大利、西班牙和德国等欧洲国家,仍广泛采用立式砂臼碾米机和立式多砂片碾米机碾米。

喷风碾米机

一种比较新型的碾米机(图4)。在机体上部装有喷风风机,其出风口与碾辊空心轴进风口连接,空气通过铁辊上的喷风槽排出。米粒在碾白室内,除了依靠碾辊转动所产生的碾白作用外,还借助喷风槽喷出的气流,造成流态化的碾白作用,促使米粒碾白,并能利用这种气流将碾米过程中产生的湿热及时散发,使排糠畅通,降低碾米电耗。铁辊直径为12厘米的喷风碾米机,生产能力为0.8~1吨(标一籼)/小时,配备动力15千瓦。

利用喷风碾米机碾米,可以提高碾白效率,降低米温,改善和提高成品大米的外观色泽及光洁度。在加工高精度大米时,米粒去皮均匀,表面光洁,糠粉和碎米少,电耗低,产量高,操作方便。在日本,大型碾米厂采用多机碾米的后道碾米机全部采用喷风碾米机。喷风碾米机在美国也用得很广。20世纪70年代以来,中国对喷风碾米机也进行了广泛的研究和使用。

图4 喷风碾米机

组合米机

20世纪50年代发展起来的新型的碾米设备。它能糙米碾白,还能用于擦米或糠粞分离。其特点是功用多,结构紧凑,占地面积小,物料提升次数少,操作管理比较集中。目前新设计的碾米厂大都采用组合米机。图5为双辊组合米机。在米机碾白室下部还设有擦米室。糙米从储料斗进入碾白室,受砂辊的碾削和擦离作用,碾去米粒表面皮层后落到擦米室内,再经铁辊的摩擦和轻度擦离作用,擦去粘附在白米表面的糠粉,使米粒光洁。碾辊线速度为10~15米/秒。

组合米机以砂辊直径(厘米)为主要规格。中国定型的有15、18和21.5三种系列。以18型使用最广。其砂辊轴转速为1200~1300转/分,擦米辊转速720转/分,标二籼产量为2100~2500千克/小时,动力配备22~30千瓦。此类米机碾米效果好、结构紧凑,碾白砂辊和擦米铁辊的更换均采用悬臂逐节抽拆的方式,而不需要拆去胶带轮和抽出整根轴,有利于减轻工人更换辊筒的劳动强度。

上述各种型式的碾米机中,采用混合型碾白原理的组合米机碾白效果良好,去皮均匀,米色光洁,电耗较低,是一种有发展前途的碾米机,再配上喷风装置,不仅能促进米粒碾白,而且能使排糠畅通,可以降低电耗,并能适应高水分稻谷加工。

图5 双辊组合米机